
为更好地向公民、法人或其他组织提供政府信息公开服务,方便公众快速、准确地查找省农业农村厅依法公开的政府信息,根据《中华人民共和国政府信息公开条例》(2019年4月3日中华人民共和国国务院令第711号,以下简称《条例》)的规定,制定本指南。
一、政府信息公开范围
本部门主动公开涉及公众利益调整、需要公众广泛知晓或者需要公众参与决策的政府信息。依法确定为国家秘密的政府信息,法律、行政法规禁止公开的政府信息,以及公开后可能危及国家安全、公共安全、经济安全、社会稳定的政府信息,不予公开。
二、主动公开的政府信息
(一)公开内容
在职责范围内,州农业农村局负责主动或依申请公开以下政府信息:
1.机构信息:包括通讯地址、网址、联系电话等基本信息,法定职责、局领导信息、内设机构、下属单位等信息。
2.特定事项,包括公开目录、公开年报等。
3.人事管理,包括干部任免、招聘遴选。
4.本部门发布、或者本部门作为牵头部门与其他部门联合发布的规范性文件、政策解读等;本部门印发的应当主动公开的文件。
5.政策法规,包括规范性文件、政策文件、规范性文件清理。
6.决策公开,包括重大决策预公开、重要会议、决策议定事项。
7.执行公开,包括农业领域各项改革进展情况、重大决策实施情况、督查和审计发现问题及整改落实情况、问责情况。
8.管理公开,包括行政许可、行政处罚、行政强制、行政征收、行政给付、行政检查、行政确认、行政奖励、行政裁决等权力责任清单。
9.服务公开,包括行政许可事项、办事指南、在线办事、办理进度、办理结果等;办事服务监督部门名称、联系电话、举报投诉渠道等。
10.结果公开,“双随机、一公开”情况、落实党中央、国务院和省委省政府关于“三农”工作的决策部署情况、提案建议办理情况。
11.重点领域及业务信息,包括规划计划、财政资金、重大建设项目、采购公开、工作动态。
12.政民互动,通过12345电话、依申请公开、新闻发布等方式回应关切,通过问卷调查、征集意见等方式组织公众参与。
向社会主动公开的政府信息范围,参见本部门网站“政府信息公开基本目录”,清单地址:
https://nyncj.cxz.gov.cn/zfxxgk/zfxxgkjbml.htm。
(二)公开方式
主要通过楚雄州农业农村局网站(nyncj.cxz.gov.cn)对属于主动公开范围的政府信息进行公开,必要时通过其他媒体公开。
三、依申请公开的政府信息
除主动公开的政府信息外,公民、法人或者其他组织可以向州农业农村局申请获取相关政府信息。
(一)受理机构、时间、地点
受理机构:楚雄州农业农村局办公室
受理时间:周一至周五,8:00-12:00,14:30-18:00(节假日、公休日除外)
联系地址:楚雄市鹿城北路44号
邮政编码:675000
联系电话:0878-3122532
传真号码:0878-3122774
电子邮箱:cxznyncjxxgk@163.com
(二)申请接收渠道
申请人可以通过以下5种方式提出政府信息公开申请:
1.当面申请。申请人携带身份证原件或复印件到楚雄州农业农村局,当面政府信息公开申请表。申请人提交申请后,本部门将出具接收回执。
2.邮政寄送申请。申请人通过邮政寄送方式提出申请的,请在信封上注明“政府信息公开申请”字样,邮寄至本部门受理机构。
3.网上申请。申请人可通过云南省政府信息依申请公开平台申请。请点击以下链接:(网址:http://ysqgk.yn.gov.cn/YSQGK/ShenQingZZ/ShenQingRLX?bmid=9238d8c0-47b1-40cc-8ae1-44837922c08c)填写并提交申请;申请人可通过受理机构公布的专用电子邮箱提出申请。本机关不直接接受通过电话提出的政府依公开申请,但申请人可通过电话咨询申请程序。
4.传真申请:申请人通过传真方式提出申请的,传真至本部门受理机构。
5.电子邮箱申请:申请人通过邮件方式提出申请的,请发送至cxznyncjxxgk@163.com邮箱,邮件标题注明“政府信息公开申请”字样。
(三)申请所需材料
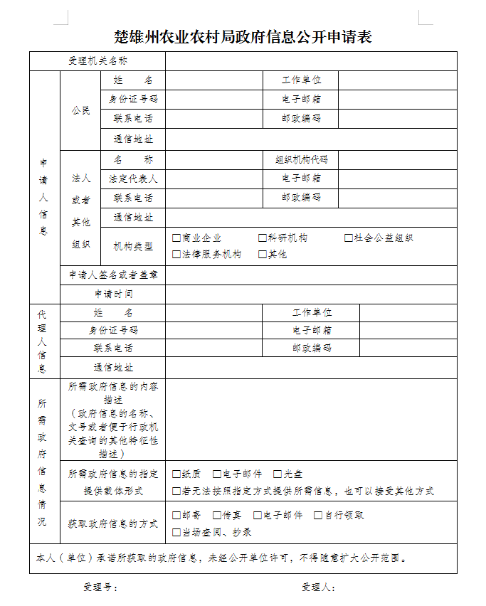
申请人须填写《楚雄州农业农村局信息公开申请表》,可在楚雄州农业农村局网站下载电子版本(附件2:楚雄州农业农村局政府信息公开申请表),复制有效;不具备下载条件的,可向受理机构申请领取。
申请人提出的政府信息公开申请应当真实载明下列内容:
1.申请人的姓名或名称、有效身份证明、联系方式。
2.申请公开的政府信息的名称、文号或者便于行政机关查询的其他特征性描述。所需的政府信息应当描述明确、详尽,有助于受理机构确定信息内容。
3.申请公开政府信息的形式要求,包括获取信息的方式、途径。
4.当面申请时,应当现场出示有效身份证件;信函申请时,应随申请表附有效身份证件复印件并签名;互联网提交申请时,应上传有效身份证件扫描件或照片。
5.承诺所获取的政府信息,只用于自身的需要,不作任何炒作及随意扩大公开范围。
(四)申请办理流程
本部门收到政府信息公开申请后,予以登记,除可以当场答复的外,自收到申请之日起20个工作日内予以答复;如需延长答复期限的,需经本部门政府信息公开工作机构负责人同意,并告知申请人,延长答复的期限最长不超过20个工作日。
本部门征求第三方和其他机关意见所需时间不计入申请办理期限。(附件2:政府信息依申请公开工作流程图)
对申请公开的政府信息,本部门根据下列不同情况作出答复:
1.属于已经主动公开的,告知申请人获取该政府信息的方式和途径;
2.属于可以公开的,向申请人提供该政府信息,或者告知申请人获取该政府信息的方式、途径和时间;
3.属于不予公开范围的,告知申请人并说明理由;
4.经检索没有所申请公开信息的,告知申请人该政府信息不存在;
5.申请的政府信息不属于本部门负责公开的,告知申请人并说明理由;如能确定负责公开该政府信息的行政机关的,告知申请人该行政机关的名称、联系方式;
6.已就申请人提出的政府信息公开申请作出答复、申请人重复申请公开相同政府信息的,告知申请人不予重复处理;
7.申请公开信息属于工商、不动产登记资料等信息,有关法律、行政法规对信息的获取有特别规定的,告知申请人依照有关法律、行政法规的规定办理;
(五)申请注意事项
1.本部门依申请提供政府信息,不收取费用。但是,申请人申请公开政府信息的数量、频次明显超过合理范围的,本部门可以收取信息处理费,收费标准按照国家有关规定执行。
2.申请人申请公开政府信息的数量、频次明显超过合理范围,本部门有权要求申请人说明理由。申请理由不合理的,告知申请人不予处理;申请理由合理,但是无法在规定的期限内答复申请人的,确定延迟答复的合理期限并告知申请人。
3.委托他人或组织代为申请的,需向行政机关提供委托证明、委托人和受托人身份证明材料。
4.申请不符合《条例》有关规定的,向当事人说明有关情况,或者指引其向相关单位咨询或按其他有关程序办理。
5.政府信息公开申请内容不明确的,行政机关应当给予指导和释明,并自收到申请之日起7个工作日内一次性告知申请人作出补正,说明需要补正的事项和合理的补正期限。答复期限自行政机关收到补正的申请之日起计算。申请人无正当理由逾期不补正的,视为放弃申请,行政机关不再处理该政府信息公开申请。
四、政府信息公开工作机构
工作机构:楚雄州农业农村局办公室
办公地址:楚雄市鹿城北路44号州农业农村局
联系电话:0878-3122532
传真号码:0878-3122774
邮政编码:675000
五、监督方式
监督部门:楚雄州人民政府办公室
监督电话:0878-3990161
邮政编码:675000
公民、法人或者其他组织认为本部门未依法履行政府信息公开义务的,可以根据《条例》第四十六条、第五十一条规定,可以向上一级行政机关或者政府信息公开工作主管部门投诉、举报。
公民、法人或者其他组织认为本部门在政府信息公开工作中侵犯其合法利益的,可以依法申请行政复议或提起行政诉讼。

